我們的肉眼能分辨幾個微米的物體,比如蜘蛛絲、頭發絲,但是如果比這些東西更小,肉眼無法識別,又該如何認識它們呢?
光學顯微鏡
電子顯微鏡
It’s show time!!
光學顯微鏡和電子顯微鏡的基本工作原理有些相似,都是依靠一種媒介(光子或者電子)和樣品的相互作用(散射、反射等),然后用探測器接收信號,最終成像。

黑白色為電子顯微鏡拍攝圖 彩色為光學顯微鏡拍攝圖
NO.1 光學顯微鏡
光學顯微鏡的肚子里有一組組的透鏡,它們組合成一個“超級放大鏡”,就可以將微米級別甚至納米級別的微生物或者細微結構放大到肉眼可見。
但是僅僅看到一個細菌,一個細胞,科學家們遠遠不滿足。他們的目標是觀察到更“迷你”更多彩的微觀世界,比如纖毛、胞內蛋白、細胞骨架、生物膜結構等。
光學顯微鏡種類有很多,包括寬場熒光顯微鏡、激光共聚焦顯微鏡等。它們可以識別不同的熒光,而熒光染料和熒光標記的抗體能特異性地結合細胞內的蛋白質,從而可以看清細胞表面的纖毛、細胞器、細胞骨架、細胞內部游動工作的蛋白質……
圖為寬場熒光顯微鏡
圖為激光共聚焦顯微鏡
比如我們想觀察細胞核,就可以使用特定的細胞核染料,染料中的熒光素被特定波長的光激發,發出熒光,熒光顯微鏡就能捕捉到它們。通過寬場熒光顯微鏡,你會發現細胞核的形態被熒光“勾勒”得“纖毫畢現”。
如果有更多的特定細胞結構的染料,而這些染料可以被不同波長的光激發,那么我們就可以在同一視野同一時間檢測到多個形態結構了。

藍色和紅色為特殊的核染料,畫面中紅色指示凋亡的細胞
如果把寬場熒光顯微鏡比喻成 “胸片”,那么激光共聚焦顯微鏡就像是“CT”。
相比普通的寬場熒光顯微鏡,激光共聚焦顯微鏡在它們的基礎上增加了激光掃描設備,可以對細胞內的精細結構進行斷層掃描,具有更高的空間分辨率及圖像對比度,在觀察到多個熒光信號的同時形成清晰的三維圖像。
左為激光共聚焦顯微鏡成像,右為寬場熒光顯微鏡成像,是不是左邊更清晰呢?
NO.2 電子顯微鏡
電子顯微鏡的分辨率(0.2納米)遠高于光學顯微鏡的分辨率(200納米),觀察超微結構,電子顯微鏡更勝一籌。
生物電子顯微鏡可以分為透射電鏡和掃描電鏡。
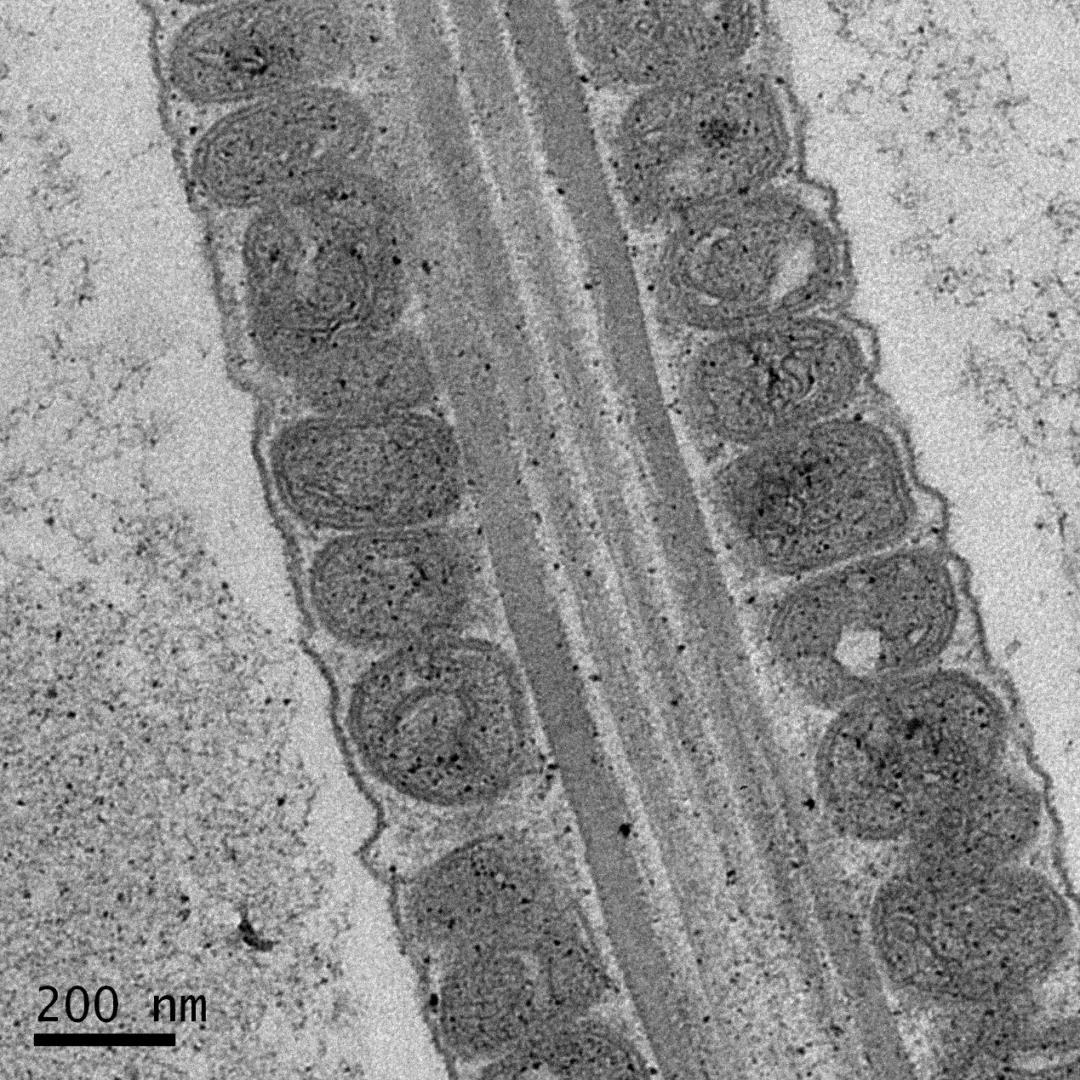
圖為透射電鏡
圖為掃描電鏡
透射電鏡工作時,電子射到樣品上,樣品上質量密度高的地方對電子的散射角大,通過的電子較少,像的亮度較暗;在質量密度低的區域,大角度散射電子少,透過的電子較多,像的亮度較亮。這樣,在熒光屏上就形成了一個有明暗反差對比、容易辨認的電鏡圖像。
電子束就像一束光,“照射”厚薄不同的地方時形成明暗交替的光影,可以讓科學家們看清在熒光顯微鏡下難以辨認的微觀圖像。
透射電鏡下可以看到小鼠精子尾巴中間的軸絲周圍密布著特化的線粒體,為精子的游動提供充足的能量。
掃描電鏡工作時,電子束打在樣品上會發射二次電子,二次電子發射量隨樣品表面形貌而變化,二次電子被探頭接收轉化成電信號,最終在電腦上呈現出反應樣品表面形貌的二次電子像。
掃描電鏡的圖更像是“描繪顏值”,左圖中這朵50微米大小的“雪絨花”由渦蟲皮膚表面粘液和制樣時的結晶鹽形成。右圖為單個小鼠精子。
透射電鏡觀察樣品超微結構,要求觀察樣品非常薄,一般在10nm~100nm之間。觀察的生物樣品可以是細胞、動植物組織、酵母、細菌等。
掃描電鏡一般觀察樣品表面形貌,對厚度沒有太大要求。可以用來觀察動植物組織、細胞爬片,但生物樣品含水量高且不具有導電性,觀察前需要經過脫水和噴金處理。
真實的微觀世界,遠沒有大千世界那么絢麗多彩。它樸實、無華,和你想象中的樣子也許不同,卻真實而靈動,蘊藏著生命的智慧。
而不論是光學顯微鏡還是電子顯微鏡,它們都是科學家們的“另”一只眼睛。
看似平平無奇,卻無時無刻不在用“心”觀察生命體中每一個微小零部件的運作規律,科學家們探索生命奧秘路上的每一步都有它們的付出。